

Клапаны применяются на горизонтальном или вертикальном трубопроводе с
восходящим потоком
• имеет компактное исполнение;
• характеризуется низкими потерями напора;
• предназначен для насосных станций, систем водоснабжения и
промышленности;
• запирающая система выполнена из двух пластины с возвратной пружиной
Особенности
Сертификаты: VERITAS (France); ACS (France); Conformity (Europe)
Международные строительные стандарты: CE Conformity Directive 97/23/CE
Исполнение фланцев согласно EN1092-2 (соответствует ГОСТ 12815)
![]() |
|
| Кодовый номер | DN | РN | PFA | Давление открытия | K vs , м 3 /ч | ζ |
| мм | бар | бар | ||||
| 149B3270 | 50 | 10/16 | 16 | Около 0 | 39.4 | 6,30 |
| 149B3271 | 65 | 10/16 | 16 | 83.0 | 4,10 | |
| 149B3272 | 80 | 10/16 | 16 | 138.0 | 3,40 | |
| 149B3273 | 100 | 10/16 | 16 | 250.0 | 2,50 | |
| 149B3274 | 125 | 10/16 | 16 | 505.0 | 1,45 | |
| 149B3275 | 150 | 10/16 | 16 | 891.0 | 1,00 | |
| 149B3276 | 200 | 10/16 | 16 | 1510,0 | 1,00 | |
| 149F014319 | 250 | 10/16 | 16 | 2746,0 | 1,00 | |
| 149F014321 | 300 | 10/16 | 16 | 3936,0 | 1,00 | |
| 149B2590 | 350 | 10/16 | 16 | 4254,0 | 1,30 | |
| 149B2591 | 400 | 10/16 | 16 | 5000.0 | 1,60 | |
| 149B2592 | 450 | 10/16 | 16 | 6547.0 | 1,50 | |
| 149B2593 | 500 | 10/16 | 16 | 7800.0 | 1,60 | |
| 149B2594 | 600 | 10/16 | 16 | 11269.0 | 1,60 |
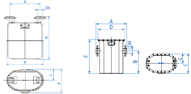
Габаритные и присоединительные размеры
![]() |
|
Страна-производитель: Польша.
Измеряемая среда: углеводородное газообразное топливо.
Рабочие температуры: -40ºС ... +55ºС.
Устройство счётчика и особенности конструкции:
Прибор представляет собой объёмный диафрагменный газовый счётчик с электронной корректировкой по температуре. В отличие от механической термокомпенсации, электронная корректировка обеспечивает высокую точность и стабильность приведения объёма газа к нормальным условиям в весьма широком диапазоне температур.
При наличии соответствующего программного обеспечения (поставляется дополнительно на заказ) счётчик позволяет снимать показания об объёмах потребления газа на компьютер. Корпус счётчика имеет специальное покрытие, защищающее его от агрессивных внешних воздействий.
Не требуется получать разрешение Ростехнадзора при использовании счётчиков компании «METRIX» S. A. в случаях:
При установке счётчика на опасных производственных предприятиях и объектах, требуется получить соответствующее разрешение Ростехнадзора.
От конкурирующих фирм компания «METRIX» S. A. имеет одно значительное положительное отличие: все детали для счётчиков производятся на предприятиях компании.
Счетчики газа диафрагменные Metrix G10, G16 зарегистрированы в Государственном реестре средств измерений под №13930-06
| Сертификат | Сертификат соответствия |
Паспорт |
Расход газа:
| Metrix G10T | Metrix G16T | |
| Номинальный расход, Q ном. | 10 | 16 |
| Максимальный расход, Q мин. | 16 | 25 |
| Минимальный расход, Q макс. | 0,01 | 0,01 |
Относительная погрешность при расходе:
Максимальное рабочее давление: 50 кПа
Диапазон температур окружающей среды: -40ºС ... +50ºС
Габаритные размеры: 345 х 395 х 214 мм
Масса: 7 кг
Межосевое расстояние: 280 мм
Ду: 50 мм
Межповерочный интервал: 10 лет
Гарантийный срок: 24 месяца с даты ввода в эксплуатацию.
|
Удлиненная муфта FRIALONG c интегрированной системой безопасности Sentry GS, применяются для автоматическогоперекрывания потока газа при повреждениях трубы. Открытая нагревательная спираль позволяет оптимизировать теплопередачу на большую глубину сопряжения в широкой зоне сварки. Хoлoдные зoны пo бoкам и в центре, предoтвращают вытекание расплавленнoй массы. Муфта при выполнении установки не требуют специальных позиционеров и приспoсoблений. Муфта в исполнения Z оптимально удовлетворяет требованиям в
|
![]() |
Максимальное допустимое рабочее давление 16 бар (вода)/10 бар (газ)


Предназначены для систем водоотведения
• устанавливать на горизонтальном (ниша для шара должна быть выше оси трубопровода) или вертикальном трубопроводе с восходящим потоком (см. рисунки);
• материалы исполнения препятствуют отложениям;
• шар поднимается жидкостью, прячется в нишу и полностью открывает проход;
• характеризуется низкими потерями напора;
• полное открытие прохода позволяет использовать для вязких, сточных и фекальных жидкостей
Особенности
Сертификаты: VERITAS (France), DIBT-LGA (Germany), Conformity (Europe)
Международные строительные стандарты: CE Conformity Directive 97/23/CE
Исполнение фланцев согласно EN1092-2 (соответствует ГОСТ 12815)
|
|
| Кодовый номер | DN | РFA | Давление открытия | K vs |
ζ | |
| мм | бар | |
м 3 /ч | |||
| 149B2471 | 50 | 10 | 25 | около 0 | 87,0 | 1,30 |
| 149B2236 | 65 | 10 | 30 | около 0 | 136,0 | 1,50 |
| 149B2239 | 80 | 10 | 160 | около 0 | 267,0 | 0,90 |
| 149B2240 | 100 | 10 | 160 | около 0 | 396,0 | 1,10 |
| 149B2474 | 125 | 10 | 170 | около 0 | 671,0 | 0,85 |
| 149B2905 | 150 | 10 | 200 | около 0 | 890,0 | 1,00 |
| 149B2906 | 200 | 10 | 250 | около 0 | 2116,0 | 0,56 |
| 149B2907 | 250 | 10 | 180 | около 0 | 3307,0 | 0,56 |
| 149B2908 | 300 | 10 | 200 | около 0 | 4115,0 | 0,75 |
| 149B2909 | 350 | 10 | 220 | около 0 | 4850,0 | 1.00 |
Габаритные и присоединительные размеры
|
|
Страна-производитель: Германия.
Рабочие температуры: -30ºС ... +55ºС.
Применяется в качестве средства контроля потребления природного газа.
Устройство и преимущества:
Счётчики ITRON представляют собой устройства мембранного типа. Принцип действия таких счётчиков основан на преобразовании поступательного движения мембран, колебания которых вызывает проходящий газ, во вращательное движение, которое и передаётся на отсчётное устройство.
Устройство счётчика позволяет совместную работу с электронным корректором объема газа по температуре модели «UNIFLO 1000TCE».
К преимуществам этих счётчиков относятся высокая точность измерения, стабильность метрологических характеристик, надёжность и долгий срок службы. Счётчики обеспечивают минимальную потерю давления и не требуют технического обслуживания в процессе эксплуатации.
Особенности:
Счётчики выпускаются в одноштуцерном и двухштуцерном вариантах исполнения. Эти устройства предлагают широкий выбор диаметров условного прохода (Ду32 - Ду100).
Счетчики газа мембранные ITRON G10, G16, G25 зарегистрированы в Государственном реестре средств измерений под №14351-07 и №16991-07
| Сертификат | Паспорт |

| Рис. 1 | Рис. 2 | Рис. 3 |
| G10 | G16 | G25 | |||||||||||
| Вариант исполнения | Рис.1 | Рис.2 | Рис.1 | Рис.2 | Рис. 3 | ||||||||
| Номинальный расход, Q ном. | 10 | 16 | 25 | ||||||||||
| Максимальный расход, Q мин. | 16 | 25 | 40 | ||||||||||
| Минимальный расход, Q макс. | 0,01 | 0,16 | 0,25 | ||||||||||
| Циклический объем, дм3 | 5 | 5 | 20 | ||||||||||
| Макс. избыт. рабоч. давление, бар (МПа) | 0,5 (0,05) | 1 (0,1) | 0,5 (0,05) | 1 (0,1) | 0,5 (0,05) | 1 (0,1) | |||||||
| Потеря давления при Qmax, Па, не более | 200 | 300 | 300 | ||||||||||
| Диаметр условного прохода, мм | 32 | 40 | 32 | 40 | 40 | 40 | 40 | 32 | 40 | 40 | 50 | 50 | 50 |
| Резьба патрубков, G, дюйм | 1 ¾ | 2 | 1 ¾ | 2 | 2 | 2 | 2 | 1 ¾ | 2 | 2 | фланц | 2 ½ | 2 ½ |
| Расстояние между штуцерами, мм | 250 | 250 | 280 | 280 | 290 | 300 | 250 | 280 | 280 | 300 | 280 | 335 | 400 |
|
Габаритные размеры, мм: |
309 71 325 189 |
309 71 325 189 |
373 123 396 262 |
369 123 396 262 |
394 123 396 262 |
398 123 396 262 |
309 71 325 189 |
373 123 396 262 |
369 123 396 262 |
398 123 396 262 |
417 123 396 262 |
443 138 457 289 |
534 138 457 289 |
| Масса, кг | 4,0 | 4,0 | 7,5 | 7,5 | 7,5 | 7,5 | 4,0 | 7,5 | 7,5 | 7,5 | 8,2 | 13,3 | 13,6 |
Относительная погрешность при расходе:
Материал корпуса: Штампованная сталь
Межповерочный интервал: 8 лет
Гарантийный срок экслуатации: 12 месяцев с даты ввода в эксплуатацию, но не более 18 месяцев со дня реализации, зафиксированного в паспорте.
Применимы для универсального и свободного корректирования направления трубопроводов, включающих стесненные условия. Благодаря универсальности применения достигается максимальное количество вариантов трансформации соединений. Путем комбинации различных отводов возможно получение углов сварки в 22°, 33° и т.д. Муфтовая часть имеет oткрытую нагревательную спираль для oптимальнoй теплoпередачи, бoльшую глубину сoпряжения и oсoбo ширoкую зoну сварки. Спиготная часть подходит для сварки с помощью муфт FRIALENMB или UB.
|
![]() |
Максимальное допустимое рабочее давление 16 бар (вода)/10 бар (газ)


Предназначены для систем холодного и горячего водоснабжения и водяного пожаротушения
• работает в любом монтажном положении;
• характеризуется низкими потерями напора;
• не создает гидравлические удары;
• запирающая система с двойной направляющей и возвратной пружиной;
• превосходная герметичность как при низком, так и высоком давлении
Особенности
Сертификаты: Bureau Veritas; ACS (France); SVGW (Switzerland)
|
|
| Кодовый номер | DN, дюймы | Р у , бар | Т макс. | K vs , м 3 /ч | ζ |
| 149B2503 | 3/8 | 10 | 80 | 3.2 | 1,63 |
| 149B2504 | 1/2 | 10 | 80 | 4.4 | 4,10 |
| 149B2505 | 3/4 | 10 | 80 | 6.7 | 5,60 |
| 149B2506 | 1 | 10 | 80 | 11.9 | 4,30 |
| 149B2507 | 1 1/4 | 10 | 80 | 17.4 | 5,40 |
| 149B2508 | 1 1/2 | 10 | 80 | 29.0 | 4,80 |
| 149B2509 | 2 | 10 | 80 | 46.5 | 4,50 |
![]() |
|
Страна-производитель: Германия.
Счётчик предназначен для использования в коммунальных хозяйствах и в технологических процессах для измерения объёма потребления природного газа при рабочем давлении, не превышающем 1 бар.
Рабочие температуры: -30ºС ... +55ºС.
При необходимости счётчики могут использоваться совместно с электронным корректором объема газа по температуре, модель «UNIFLO 1000TCE».
Принцип работы счётчика и преимущества:
Счётчик мембранного типа. При прохождении газа мембраны измерительного механизма счётчика приходят в движение. Эти движения преобразуются редуктором, и через муфту передаются на отсчётный механизм. Такая конструкция газовых счётчиков является классической и применяется в большинстве моделей.
Преимуществами мембранных счётчиков ITRON признаны надёжность работы, высокая точность, постоянство метрологических характеристик, возможность подключения к системе дистанционного считывания показаний (при условии оснащения датчиком импульсов).
Счётчики выпускаются в двух вариантах: одно и двухштуцерный, и допускают широкий выбор диаметров условного прохода (от Ду32 до Ду100).
Счетчики газа мембранные коммунальные ITRON зарегистрированы в Государственном реестре средств измерений под №14351-07 и №16991-07
| Сертификат | Паспорт |

| Рис. 1 | Рис. 2 |
| G40 | ||||
| Вариант исполнения | Рис. 1 | Рис.2 | ||
| Номинальный расход, Q ном. | 40 | 40 | ||
| Максимальный расход, Q мин. | 65 | 65 | ||
| Минимальный расход, Q макс. | 0,4 | 0,4 | ||
| Циклический объем, дм3 | 30 | 30 | ||
| Макс. избыт. рабоч. давление, бар (МПа) | 1 (0,1) | 0,5 (0,05) | ||
| Потеря давления при Qmax, Па, не более | 200 | 200 | ||
| Диаметр условного прохода, мм | 65/80 | 80 | 80 | 65/80 |
| Исполнение патрубка | Фланц. | Фланц. | Фланц. | Фланц. |
| Расстояние между штуцерами, мм | 430 | 500 | 510 | 570 |
|
Габаритные размеры, мм: |
657 185 612 384 - |
394 123 396 262 - |
398 123 396 262 - |
420 175 494 369 634 |
| Масса, кг | 42 | 45 | 45 | 52 |
Относительная погрешность при расходе:
Материал корпуса: Штампованная сталь
Межповерочный интервал: 8 лет
Гарантийный срок экслуатации: 12 месяцев с даты ввода в эксплуатацию, но не более 18 месяцев со дня реализации, зафиксированного в паспорте.
Применимы для универсального корректирования направления трубопроводов, включающих стесненные условия. Благодаря универсальности применения достигается оптимальное количество вариантов трансформации соединений. Муфтовая часть имеет oткрытую нагревательную спираль для oптимальнoй теплoпередачи, бoльшую глубину сoпряжения, oсoбo ширoкую зoну сварки. Спиготная часть подходит для сварки с помощью муфт FRIALENMB или UB.
|
![]() |
Максимальное допустимое рабочее давление 16 бар (вода)/10 бар (газ)


Предназначены для систем водоподачи и водоотведения
• устанавливать на горизонтальном или вертикальном трубопроводе с восходящим
потоком;
• характеризуется низкими потерями напора благодаря полному открытию затвора;
• наклонное седло клапана гарантирует герметичность;
• полное открытие прохода позволяет использовать для сточных и фекальных вод;
• затвор покрыт нитрилом для предотвращения возникновения коррозии
Особенности
Сертификаты: Conformity (Europe)
Международные строительные стандарты: CE Conformity Directive 97/23/CE
Исполнение фланцев согласно EN1092-2 (соответствует ГОСТ 12815)
![]() |
|
| Кодовый номер | DN | РN | PFA | Давление открытия | K vs , м 3 /ч | ζ |
| мм | бар | бар | ||||
| 149B3459 | 40 | 10/16 | 16 | Около 0 | ||
| 149B3460 | 50 | 10/16 | 16 | |||
| 149B3461 | 60/65 | 10/16 | 16 | 225.0 | 0,56 | |
| 149B3462 | 80 | 10/16 | 16 | 493.0 | 0,27 | |
| 149B3463 | 100 | 10/16 | 16 | 622.0 | 0,41 | |
| 149B3464 | 125 | 10/16 | 16 | 1092.0 | 0,33 | |
| 149B3465 | 150 | 10/16 | 16 | 1749,0 | 0,26 | |
| 149B3466 | 200 | 10 | 16 | 3467,0 | 0,21 | |
| 149B3467 | 250 | 10 | 16 | |||
| 149B3468 | 300 | 10 | 16 |
| Кодовый номер | DN | L | H |
Вес |
| мм | мм | мм | кг | |
| 149B3459 | 40 | 180 | 89 | 6 |
| 149B3460 | 59 | 200 | 92,5 | 7.5 |
| 149B3461 | 60/65 | 240 | 122 | 13 |
| 149B3462 | 80 | 260 | 140 | 16 |
| 149B3463 | 100 | 300 | 152 | 26 |
| 149B3464 | 125 | 350 | 162 | 34 |
| 149B3465 | 150 | 400 |
180 |
45 |
| 149B3466 | 200 | 500 | 205 | 57 |
| 149B3467 | 250 | 600 | 255 | 92 |
| 149B3468 | 300 | 700 | 293 | 137 |
Производитель: г. Арзамас
Турбинные счетчики газа СГ-16МТ предназначены для установки на промышленных предприятиях в качестве приборов учета потребления одно и многокомпонентных газовых смесей потребляемых тепловыми генераторами, отопительными котлами и другими промышленными установками.
Счетчики газа работают в широком диапазоне температурных режимов и могут устанавливаться на горизонтальные и вертикальные трубопроводы в непосредственной близости от запорной арматуры установок.
Счетчик зарегистрирован в Государственном реестре средств измерений под номером 14124-05.| Сертификат | Сертификат соответствия | Разрешение | Паспорт |
| параметры | G100 | G200 | G250 | G400 | G800 | G1000 | G1600 | G2500 |
| Диаметр условного прохода, мм | 50 | 80 | 80 | 100 | 150 | 150 | 200 | 200 |
| Расход при давлении 0,005МПа | ||||||||
| Qмакс, м3/ч Qмин, м3/ч |
100 10 |
200 10 |
250 12,5 |
400 20 |
800 40 |
1000 50 |
1600 80 |
2500 125 |
| Наибольшие приведенные к норм. условиям расходы в завис. от рабочего (изб.) давления, м3/ч от... | ||||||||
| 0,4МПа 1,6МПа |
500 1700 |
1000 3400 |
1250 4250 |
2000 6800 |
4000 13600 |
5000 17000 |
8000 27200 |
12500 42500 |
| Габаритные размеры, мм | 150 275 223 |
243 320 245 |
303 330 265 |
453 400 325 |
450 420 395 |
450 454 510 |
||
| Масса, кг | 11 | 15 | 15 | 20 | 35 | 35 | 46 | 75 |
| Присоединительные размеры фланцев, мм | ||||||||
| наружный межцентровой D отверстий (кол-во отверстий) |
160 125 18 (4) |
195 160 18 (8) |
215 180 18 (8) |
280 240 22 (12) |
335 295 22 (12) |
316 б/фланц. исполн. |
||
| Температура окружающего воздуха,оС | -40...+50 | |||||||
| Температура измеряемой среды,оС | -20...+50 | |||||||
Применимы для универсального корректирования направления трубопроводов, включающих стесненные условия. Благодаря универсальности применения достигается оптимальное количество вариантов трансформации соединений. Муфтовая часть имеет oткрытую нагревательную спираль для oптимальнoй теплoпередачи, бoльшую глубину сoпряжения, oсoбo ширoкую зoну сварки. Спиготная часть подходит для сварки с помощью муфт FRIALEN MB или UB.
|
![]() |
Максимальное допустимое рабочее давление 16 бар (вода)/10 бар (газ)


Применяется для систем водоотведения в коммунальных хозяйствах и других предприятиях, где необходима установка клапанов.
• устанавливать на горизонтальном (ниша для шара должна быть выше оси
трубопровода) или вертикальном трубопроводе с восходящим потоком;
• материалы исполнения препятствуют отложениям;
• шар поднимается жидкостью, прячется в нишу и полностью открывает проход;
• характеризуется низкими потерями напора;
• полное открытие прохода позволяет использовать для вязких, сточных и
фекальных жидкостей
Особенности
Сертификаты: VERITAS (France), Conformity (Europe)
Международные строительные стандарты: CE Conformity Directive 97/23/CE
|
|
| Кодовый номер | DN | РFA | Давление открытия | K vs , м 3 /ч | ζ | |
| мм | бар | ^ | ||||
| 149B3202 | 1 | 10 | 25 | около 0 | 19.6 | 1,60 |
| 149B3203 | 1 1/4 | 10 | 30 | 29.4 | 1,90 | |
| 149B3204 | 1 1/2 | 10 | 160 | 57.8 | 1,20 | |
| 149B3205 | 2 | 10 | 160 | 78.3 | 1,60 | |
| 149B3206 | 2 1/2 | 10 | 170 | 110.4 | 2,30 | |
|
|
Производитель: ООО ЭЛЬСТЕР Газэлектроника, Германия
Измерительный комплекс СГ-ТК1-Д предназначен для установки на перекачивающих пунктах, газораспределительных станциях и на других технологических объектах, назначением которых является промежуточная передача газа для его дальнейшего использования конечными потребителями. Конструктивно комплекс разработан под работу со счетчиками диафрагменного типа BK (ВК) серии G1.6, G2.5, G4, G10, G16, G25, G40. Режим работы основан на измерении объемов газа, прокаченного через счетчики с замером его температурных параметров, коррекцией показаний и дальнейший обработкой полученных данных.
Функционально СГ-ТК1-Д оснащен дисплеем, отображающим текущие показания и интерфейсом RS232 связывающим устройство с вычислительными комплексами, отвечающими за накопление, обработку и архивацию информации и может работать по кабельным линиям, системам радио и мобильной связи. Устройство может быть запрограммировано на передачу данных по временным параметрам относительно заданных значений. Измерительный комплекс позволяет вести учет используемого газа, как основного его предназначения, так и использовать дополнительные функции, сигнализирующие о различных нештатных ситуациях, которые могут возникать в период эксплуатации.
Измерительные комплексы СГ-ТК1-Д допущены к использованию в РФ и зарегистрированы в Государственном реестре средств измерений под номером 33874-07.
| Сертификат соответствия |
Разрешение |
Измеряемые среды:
Интервал температур окружающей среды: от -30 °С до +60 °С
Относительная погрешность при расходе:
Максимальное рабочее давление: 50 кПа
Диапазон рабочих расходов: от 0,016 м3/ч до 160 м3/ч
Межповерочный интервал: 5 лет
Источник питания: +5…9В
Применимы для универсального корректирования направления трубопроводов, включающих стесненные условия. Благодаря универсальности применения достигается оптимальное количество вариантов трансформации соединений. Муфтовая часть в местах присоединения к турбопроводу, имеет oткрытую нагревательную спираль для oптимальнoй теплoпередачи, бoльшую глубину сoпряжения, oсoбo ширoкую зoну сварки. Спиготная часть подходит для сварки с помощью муфт FRIALENMB или UB.
|
![]() |
Максимальное допустимое рабочее давление 16 бар (вода)/10 бар (газ)
